给料机输送皮带全自动化纠偏效果是怎样实现的?

随着传输系统在工厂企业的大量使用,皮带跑偏多数已成为输送行业中主要的故障因素之一,造成工业皮带跑偏的原因众多,但由于传送带运转期间各种应力的不断变化,很难实现自动纠偏的作用,效果不明显,实现运输皮带的自动纠偏成为当务之急。
在工业生产的自动给料系统中,由于各种原因,给料皮带经常跑偏,严重影响了生产效率,因此机器设备需要一套自动纠偏装置,来实现给料机皮带的自动纠偏功能。
纠偏装置是一种修正皮带在向前运动中出现的侧边误差的机械装置,是由固定的底座和带有一根或几根的旋转装置,这种旋转装置成为摆动支架,围绕着一个固定的或者虚拟的旋转点运动。
纠偏装置可以提供我们所需要的纠偏控制,帮助生产线有效而且高效的运转,和适当的感应器、驱动器等纠偏组件组合,纠偏装置可以提供高精度、均衡、闭环、有着高动态响应的控制系统。

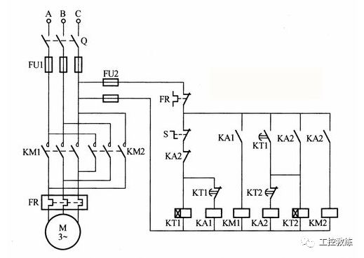
下图是一种由一台电动机在规定时间范围内作连续可逆的正反方向运转的纠偏控制电路。

电动机正反转纠偏(时间继电器)控制电路接线图
上面的正反转控制是采用两只交流接触器换相的方式来实现纠偏的,在实际生产中,由于给料皮带经常跑偏,纠偏装置动作频繁,交流接触器也换相比较频繁,交流接触器非常容易损坏,一般只能使用几个月,严重影响了纠偏装置的稳定运行。
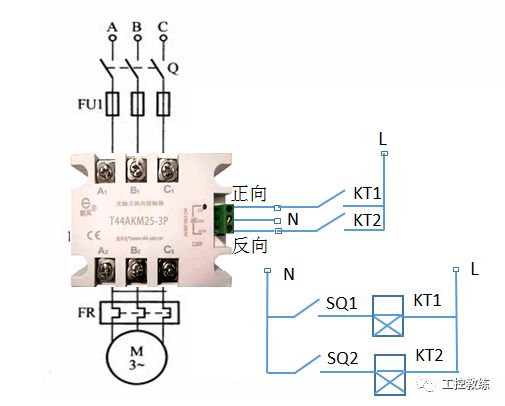
下图是改用无触点正反转接触器(型号T44AKM)控制的纠偏电路

无触点正反转接触器(T44AKM)控制电路接线图
图中 SQ1为正向限位开关,SQ2为反向限位开关,KT1、KT2为延时可调的延时继电器。
当正向限位开关SQ1动作时,KT1通电,延时几秒,KT1常开闭合,接通无触点接触器,控制电机正转,当给料机构纠偏完成后,电机停止运转,电路回复初始状态。
当反向限位开关SQ2动作时,KT2通电,延时几秒,KT2常开闭合,接通无触点接触器,控制电机反转,当给料机构纠偏完成后,电机停止运转,电路回复初始状态。

使用三相无触点正反转接触器(型号T44AKM)替代普通接触器后的使用效果:
1、换相速度最高可达到每分钟60次,可满足各类纠偏装置的需要。
2、正反转换相时,接触器动作无火花、无噪音。
3、由于是无触点换相,工作寿命长,工作可靠。
4、结构强度高,耐冲击抗震动性强。
想要学习工控技术与PLC编程,添加微信1196862526,备注“进群”,拉你进入PLC技术交流群!

给料机的工作原理
振动给料机是利用振动器中的偏心块旋转产生离心力,使筛厢、振动···
有机肥半湿物料粉碎机粉碎物料的特点?
半湿物料粉碎机多用于有机肥生产加工环节,粉碎鸡粪、腐殖酸纳等···
高精度智列式皮带秤主要由五部分组成
高精度智列式皮带秤1、1-8组icszl型智列式皮带秤称重桥架,单托辊···
有机肥皮带输送设备与其他有机肥设备的区别表现
皮带输送机性能优点:功能定位的核心差异,是皮带输送设备与其他···
如何配置有机肥粉碎机设备?
半湿物料有机肥粉碎机链式有机肥粉碎机链式有机肥粉碎机综上,有···
螺旋给料机堵料原因大揭秘!
今天咱们就来好好唠唠螺旋给料机堵料都有哪些原因。螺旋给料机的···
皮带机安装与跑偏问题汇总
皮带机常见问题之一,就是皮带跑偏。安装的质量好坏,对皮带跑偏···
皮带秤循环链码和挂码效验哪个好?电子皮带秤效验方法
以卷扬链码装置和循环链码装置为例,其工作原理:皮带秤上平放标···
上海选螺旋输送机?这家本地老厂的设备藏着不少实用优势
而上海平强包装机械制造有限公司,就是不少企业的共识之选,它家···
